English
Español
Português
русский
Français
日本語
Deutsch
tiếng Việt
Italiano
Nederlands
ภาษาไทย
Polski
한국어
Svenska
magyar
Malay
বাংলা ভাষার
Dansk
Suomi
हिन्दी
Pilipino
Türkçe
Gaeilge
العربية
Indonesia
Norsk
تمل
český
ελληνικά
український
Javanese
فارسی
தமிழ்
తెలుగు
नेपाली
Burmese
български
ລາວ
Latine
Қазақша
Euskal
Azərbaycan
Slovenský jazyk
Македонски
Lietuvos
Eesti Keel
Română
Slovenski
मराठी
Srpski језик
ویژگی محصولes
1، تولید DC و ذخیره DC، راندمان بیشتر و تلفات کمتر، که برای PV مناسب است و قدرت ذخیره سازی بیشتر است.
نسبت به سناریوهای قدرت بار خارج از شبکه؛
2، حفاظت IP65، ملاقات با استفاده در فضای باز. MPPT نزدیک خروجی همگرایی را افزایش می دهد، که به جلوگیری از سیم کشی کمک می کند
سردرگمی ناشی از چندین کابل فتوولتائیک (PV) که در فواصل طولانی به سیستم All-in-one منتقل می شود.
3، محدوده ولتاژ گسترده 200-900 ولت ورودی فتوولتائیک، از دسترسی ماژول فتوولتائیک با جریان بالا در صنعت پشتیبانی می کند.
4، MPPT چند کاناله، با چند زاویه پانل PV
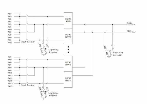
نمودار سیم کشی

مشخصات
| مدل ها | MPPT-8 | MPPT-6 | MPPT-12 | |
| رابط سمت PV پارامترها |
حداکثر ولتاژ آرایه PV | 900 ولت | ||
| محدوده ولتاژ MPPT | 200-900 ولت | |||
| محدوده ولتاژ MPPT نامی | 560-900 ولت | |||
| حداکثر جریان انشعاب | 24A | 20A | ||
| شماره رشته های ورودی PV | 8 | 6 | 12 | |
| تعداد MPPT | 8 | 2 | 4 | |
| جریان به ازای MPPT | 20A | 55A | ||
| پارامترهای خروجی | محدوده ولتاژ | 600-950 ولت | ||
| ولتاژ نامی | 716.8 ولت پیش فرض، قابل تنظیم | |||
| جریان خروجی نامی | 118A | 84A | 168A | |
| توان خروجی نامی | 84 کیلو وات | 60 کیلو وات | 120 کیلو وات | |
| حداکثر جریان خروجی | 192A | 120A | 240A | |
| پارامترهای سیستم | شهر EUe | 99.4٪ | ||
| درجه آی پی | IP65 | |||
| مفهوم خنک کننده | همرفت طبیعی | خنک کننده هوای اجباری | ||
| ابعاد (W*D*H) | 550x530x280mm | 630×460×260 میلی متر | 630×460×260 میلی متر | |
| وزن | 42 کیلوگرم | 25 کیلوگرم | 30 کیلوگرم | |
| دمای عملیاتی | -30 تا 55 ℃ | |||
| حالت های منبع تغذیه | خود برق (بدون برق در شب) | |||
| رابط ارتباطی | RS485 | |||
