English
Español
Português
русский
Français
日本語
Deutsch
tiếng Việt
Italiano
Nederlands
ภาษาไทย
Polski
한국어
Svenska
magyar
Malay
বাংলা ভাষার
Dansk
Suomi
हिन्दी
Pilipino
Türkçe
Gaeilge
العربية
Indonesia
Norsk
تمل
český
ελληνικά
український
Javanese
فارسی
தமிழ்
తెలుగు
नेपाली
Burmese
български
ລາວ
Latine
Қазақша
Euskal
Azərbaycan
Slovenský jazyk
Македонски
Lietuvos
Eesti Keel
Română
Slovenski
मराठी
Srpski језик
ویژگی های محصول
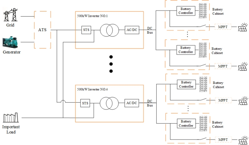
1. بارهای بیش از 500 کیلو وات، توصیه می شود از یک اینورتر ذخیره انرژی تک واحدی با ظرفیت 500 کیلووات استفاده کنید، که قادر به پشتیبانی تا چهار مجموعه از اتصالات موازی، دستیابی به توان خروجی 2 مگاوات است.
2. هنگام کار با چندین سیستم 500 کیلوواتی به صورت موازی و توزیع اینورترهای مختلف 500 کیلوواتی STScross، بسیار مهم است که اطمینان حاصل شود که طول کابل از نقطه اتصال شبکه به نقطه اتصال بار ثابت است.
3. ESS هیبریدی از ادغام فتوولتائیک جفت شده با DC استفاده می کند، بازده تبدیل انرژی بالا را به دست می آورد و برای سناریوهای خارج از شبکه با ظرفیت تولید PV بیش از تقاضای بار بهینه شده است. MPPT دارای رتبه در فضای باز
کنترلرها قابلیت های ترکیب کننده و MPPT را در یک محفظه سخت شده ادغام می کنند. سیستم کامل شامل یک آپشن دیزل ژنراتور ATS، یک اینورتر هیبریدی 300 کیلووات، کنترلر PV MPPT و یک باتری است.
سیستم ذخیره انرژی


مشخصات
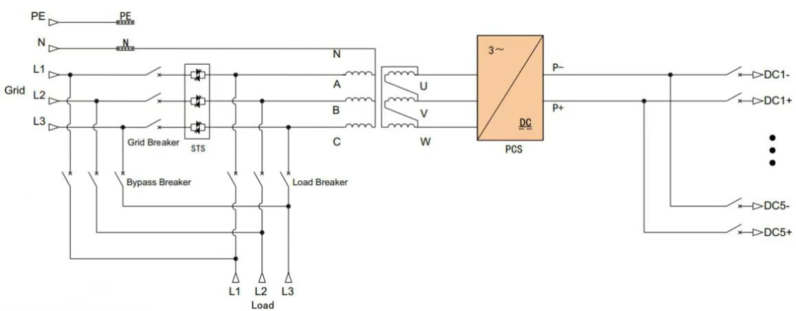
| مدل ها | P500TS-400-A | |
|
پارامترهای سمت DC |
محدوده ولتاژ | 500-950 ولت |
| حداکثر جریان | 1128A | |
| توان خروجی نامی | 500 کیلو وات | |
|
پارامترهای AC-Side (متصل به شبکه) |
حداکثر توان خروجی | 550 کیلو وات |
| جریان خروجی نامی | 722A | |
| THDi | <3% | |
| نوع شبکه | 3W+N+PE | |
| محدوده ولتاژ | 360VAC~440VAC | |
| محدوده فرکانس | 45~55Hz/55~65Hz | |
| ضریب قدرت | -1~1 | |
| توان خروجی نامی | 500 کیلو وات | |
|
پارامترهای جانبی AC (خارج از شبکه) |
ولتاژ خروجی نامی | 400 ولت |
| فرکانس خروجی نامی | 50/60 هرتز | |
| THDu | <1% بار خطی، <5% بار غیر خطی | |
| ظرفیت اضافه بار | 110% 10 دقیقه | |
| سوئیچ بای پس تعمیر و نگهداری | 1250A | |
|
سوئیچ Off-Grid و پیکربندی سوئیچ |
سوئیچ DC | 1250A |
| سوئیچ بار | 1250A | |
| سوئیچ شبکه | 1250A | |
| واحد STS | 1155A/800kW | |
| زمان تعویض | <20 میلی ثانیه | |
|
پارامترهای سیستم |
اوج کارایی | 97.5٪ |
| دمای عملیاتی | -30 تا 55 ℃ (در دمای بالاتر از 40 درجه سانتیگراد) | |
| رطوبت نسبی | 0 تا 95٪ RH، غیر متراکم | |
| ابعاد (L*D*H) | 1600×1050×2050 میلی متر | |
| وزن | 2700 کیلوگرم | |
| IPgrade | IP21 IP21 (دستگاه کامل) | |
| سر و صدا | <70dB | |
| صفحه نمایش | ال سی دی | |
| ارتباط BMS | می تواند | |
| ارتباط EMS | TCP/IP | |